Ønsker du mer info og pris?
Vi kontakter deg
Dempeboks
Dempeboks , trinnlydsdemping for TSS 25 L og TSS 20 FA.
Laget av lyddempende Elastomer materiale.
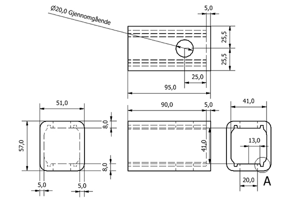
GB TSS 20 FA
GB TSS 20 FA er tilpasset TSS 20 FA
| Bilde | Produkt |
Step | ![]() DWG 2D |
IFC |
PDF |
|---|---|---|---|---|---|
![]() | GB TSS 20 FA | GB TSS 20 FA | GB TSS 20 FA | GB TSS 20 FA | GB TSS 20 FA |

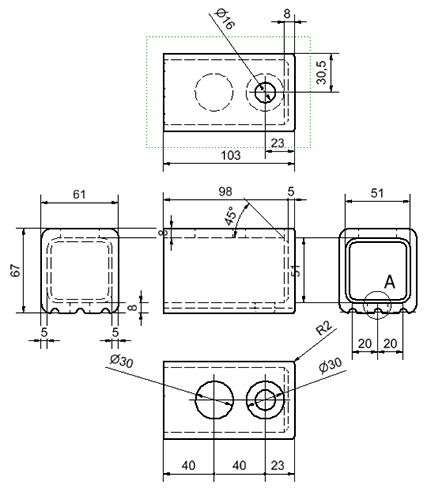
GB TSS 25 L
GB TSS 25 L er tilpasset TSS 25 L
| Bilde | Produkt |
Step | ![]() DWG 2D |
IFC |
PDF |
|---|---|---|---|---|---|
![]() | GB TSS 25 L | GB TSS 25 L | GB TSS 25 L | GB TSS 25 L | GB TSS 25 L |

Bruk med

TSS 25 L, trapp-repo forbindelse
Forbindelse mellom Trappeløp/Repos
TSS 25 L er en kostnadsbesparende «Alt i en» forbindelse uten behov for hylleløsning.
• Løft direkte i forbindelsen for rask og enkel montering på byggeplass
• Ingen løfteanker eller flikking av trapp i etterkant
• Trinnløs høydejustering.
• Løfteklokker for løft/snuing av trapp i produksjon, sparer flere løfteanker
• Unngår hylleløsning
• Effektiv montasje på byggeplass, unngår shimsing. Estimert tidsbesparelse er 10-15% på byggeplass
• Ferdig armert
For mer informasjon om TSS 25 L se: Memo 65 A

Forbindelse mellom trappeløp og repos, uten behov for hylleløsning. Trinnløs høydejustering. Ferdig armert, og kan brukes som løfteanker i produksjon og installasjon.
Video
Trappeforbindelse arkitekt
Trappeforbindelse ingeniør
Trappeforbindelse produksjon
Trappeforbindelse montering 1
Trappeforbindelse montering 2
Trappeforbindelse jordskjelvsikring
Trappeforbindelse jordskjelvsikring installasjon
Brosjyrer
Gå til Brosjyrer




Step
IFC
PDF


