Ønsker du mer info og pris?
BWC 40 U-H
- Produkter→
- Balkongforbindelser→
- Utkragede balkonger→
- BWC 40 U-H
Systemet består av flere deler:
BWC U-H er Invisible Connections® sitt system hvor enheten med boltegruppe, isolasjonssjikt og vanntettingsmembran sveises til alternativer som: BWC 40 plate i dekkekant, HUP, HSQ e.l. BWC utligger blir deretter festet til boltegruppen for å støtte opp balkongen.
BWC U-H: Dette er hoveddelen, som vi oftest på fabrikken i Åndalsnes sveiser til en innstøpningsplate (BWC Plate 40 U-H) for bruk i plasstøpte dekker. Alternativt til en plate med strekkband, om det er et byggtransformasjonsprosjekt. Er det et bygg med hulldekker og stål bæresystem, er det leverandøren av byggets konstruksjonsstål, som sveiser enheten til byggstålet.
Invisible Connections kan og spesiallage varianter om det f.eks skal etableres balkong-/svalganger på etg med oppbygde terrasser
Alle deler er laget av stål S355.Se mer i Invisible Connections ® Memo 750
| Kapasiteter | Fra analysen «BWC 40 U-H Plate dekkekant 2020» Gjennomført i Ansys. Prosjekt «AA» |
| Maks. moment (kNm) | 60kN |
| Maks. skjærkraft (kN) | 70kN |
| Maks. horisontal kraft (kN) | +/- 20kN |
| Se mer i Invisible Connections® | MEMO 750 |

Teknisk info - Utkragede balkonger
Memo nr | Navn/nedlastning | Format | |
|---|---|---|---|
| Rapport | Tynne balkongdekker dimensjonerings rapport 12492 OO R 001 rev 5 | ![]() | |
| Rapport | Hjørnebalkong med BWC forbindelser 13642 OO R 002 | ![]() | |
| Beregninger | Klimagassberegninger IC 2022 | ![]() | |
| Beregning | Varmetapsberegning BWC 40 U-H , Rambøll | ![]() | |
| K5 12 | K5 12 Sveis monteringsinstruks BWC 40 U H og BWC Utligger | ![]() | |
| Memo 750 | Veiledning BWC - utkraget | ![]() | |
| Memo 751 | Byggstandardene Balkonglaster og deformasjoner | ![]() | |
| Memo 752 | Veiledning forankring til hulldekke BWC 40 U H | ![]() | |
| Memo 755 | Modal analyse, BWC 40 U | ![]() | |
| Memo 755A | Modal Eksempler, BWC 40 U | ![]() | |
| Memo 756D | Nedbøyning og lasteevne, BWC 40 U-H | ![]() |
| Bilde | Produkt |
Step | ![]() DWG 2D |
IFC |
PDF |
|---|---|---|---|---|---|
![]() | BWC 40 U-H | BWC 40 U H | BWC 40 U H | BWC 40 U-H |

Systemet består av flere deler:
BWC U-H er Invisible Connections® sitt system hvor enheten med boltegruppe, isolasjonssjikt og vanntettingsmembran sveises til alternativer som: BWC 40 plate i dekkekant, HUP, HSQ e.l. BWC utligger blir deretter festet til boltegruppen for å støtte opp balkongen.
BWC 40 utligger: Dette er selve utliggeren som understøtter f.eks en tynn betongplate, trekonstruksjon eller stålbalkong. Dimensjonen her bestemmes av lengde og dybde på balkongen/svalgangen, og leveres varmforzinket.
Alle deler er laget av stål S355. Se mer i Invisible Connections ® Memo 750

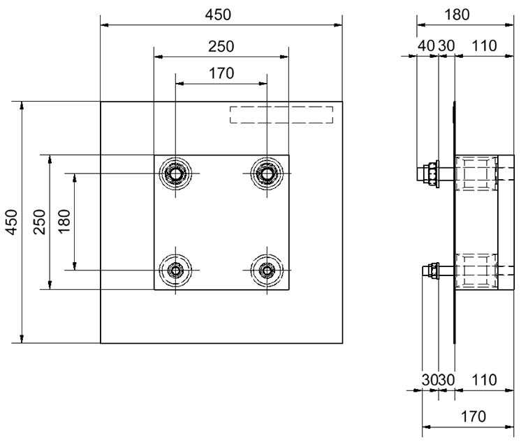
Systemet består av flere deler:
BWC U-H er Invisible Connections® sitt system hvor enheten med boltegruppe, isolasjonssjikt og vanntettingsmembran sveises til alternativer som: BWC 40 plate i dekkekant, HUP, HSQ e.l. BWC utligger blir deretter festet til boltegruppen for å støtte opp balkongen.
BWC plate 40 U-H: Denne platen med armering støpes inn i dekkekant. Her skal hoveddelen med boltegruppe sveises på, dette gjøres som oftest på fabrikken her på Åndalsnes.
Alle deler er laget av stål S355.Se mer i Invisible Connections ® Memo 750
Balkongforbindelse utkraget produksjon
Balkongforbindelse utkraget montering
Balkongforbindelse utkraget ingeniør
Balkongforbindelse utkraget arkitekt
Gå til Brosjyrer











Step
IFC